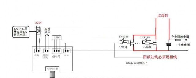
点焊机的工作原理及使用 原理与接线图讲解

1、点焊的工艺过程为开通冷却水;将焊件表面清理干净,装配准确后,送入上、下电极之间,施加压力,使其接触良好;通电使两工件接触表面受热,局部熔化,形成熔核;断电后保持压力,使熔核在压力下冷却凝固形成焊点;去除压力,取出工件。焊接电流、电极压力、通电时间及电极工作表面尺寸等点焊工艺参数对焊接质量有重大影响。
2、点焊机利用正负两极在瞬间短路时产生的高温电弧来熔化电极间的被焊材料,来达到使它们结合的目的。点焊机的结构十分简单,说白了就是一个大功率的变压器,将220V交流电变为低电压,大电流的电源,可以是直流的也可以是交流的。电焊变压器有自身的特点,就是具有电压急剧下降的特性。
3、在焊条引燃后电压下降,电焊机的工作电压的调节,除了一次的220/380电压变换,二次线圈也有抽头变换电压,同时还有用铁芯来调节的,可调铁芯。电焊机一般是一个大功率的变压器,系利用电感的原理做成的。电感量在接通和断开时会产生巨大的电压变化,利用正负两极在瞬间短路时产生的高压电弧来熔化电焊条上的焊料。来达到使它们结合的目的。






